preload

Profils aluminium

Profilés en aluminium pour pergolas, vérandas et structures extérieures

Nos profilés en aluminium sont spécialement conçus pour la fabrication de pergolas, vérandas, carports et autres structures extérieures sur mesure. Leur conception allie légèreté, robustesse et résistance aux intempéries, offrant des solutions durables et esthétiques adaptées à tous les projets.

Caratéristiques principales :

  • Résistance exceptionnelle : l'aluminium est naturellement résistant à la corrosion, assurant la longévité de vos installations, même dans des environnements humides ou salins.
  • Légèreté et robustesse : facile à manipuler et à assembler, nos profilés garantissent une structure solide capable de supporter diverses charges climatiques.
  • Esthétique soignée : leur surface lisse et élégante assure un rendu visuel de haute qualité, tout en offrant une finition durable et résistante aux UV.

Applications variées :

  • Pergolas : créez des espaces extérieurs ombragés et conviviaux.
  • Vérandas : agrandissez votre espace de vie avec une structure lumineuse et isolante.
  • Carports : protégez vos véhicules avec une solution fonctionnelle et esthétique.

Pourquoi choisir nos profilés ?

Choisir nos profilés en aluminium, c’est opter pour la qualité, la durabilité et la flexibilité de conception. Ils sont conçus pour répondre aux besoins des professionnels et des particuliers exigeants, souhaitant des structures alliant performances techniques et élégance intemporelle.

SYSTÈME À JOINT

CODE ARTICLE DÉSIGNATION LONGUEUR (MM)
SPCAACPS0100 Profil Faîtière 16 et 32 mm alu blanc 9010 M32T 7000
SPCAACPS0120 Joint de faîtière Néoprène blanc au ML C4CX 1000
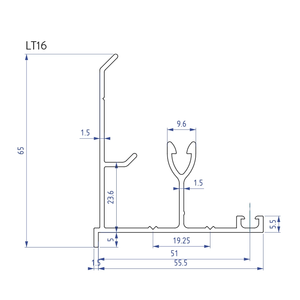
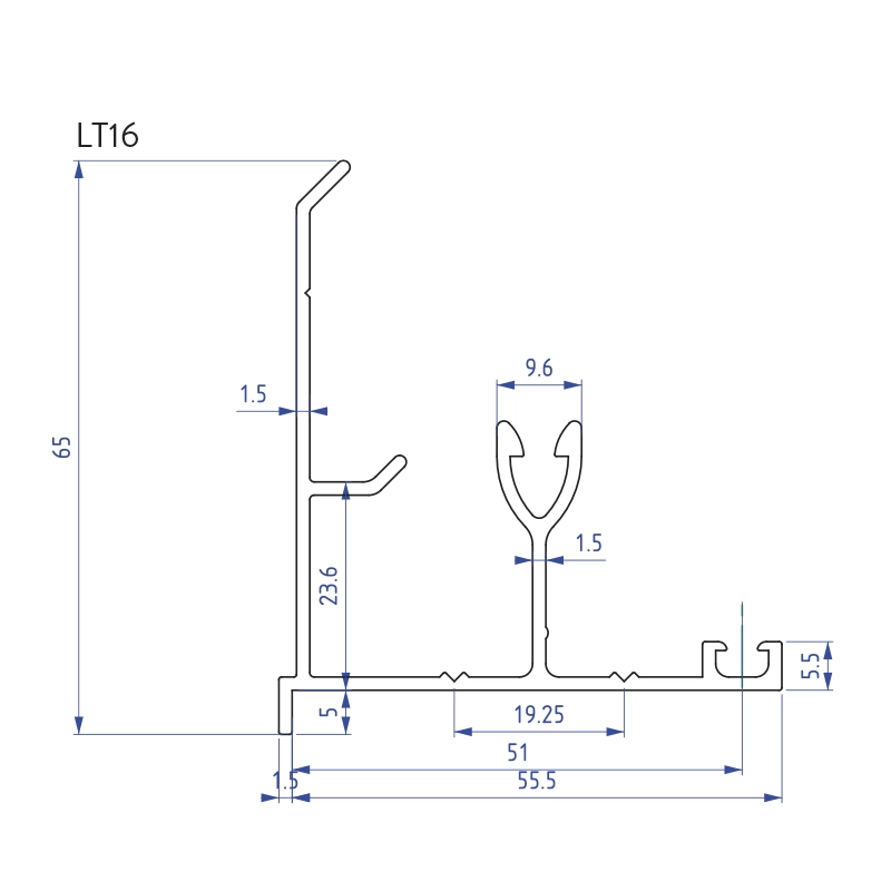
SPCAACPS0130 Profil de rive ép. 16 mm alu blanc 9010 LT16 7000
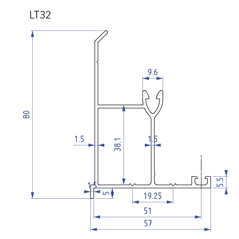
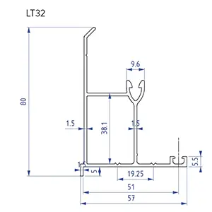
SPCAACPS0150 Profil de rive ép. 32 mm alu blanc 9010 LT32 7000
SPCAACPS0170 Profil de jonction ép. 16 mm alu brut T16.1 7000
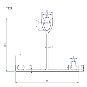
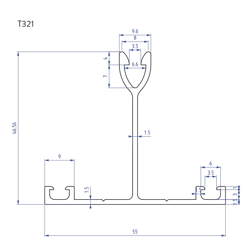
SPCAACPS0180 Profil de jonction ép. 32 mm alu brut T32.1 7000
SPCAACPS0190 Joint de repos Néoprène au Ml C3 1000
SPCAACPS0200 Joint de jonction et rive Néoprène au ML C2CX 1000
SPCAACPS0210 Embout alu blanc 9010 S16  

SYSTÈME À CAPOT SERREUR

CODE ARTICLE DÉSIGNATION LONGUEUR (MM)
SPCAACPS0400 Porteur 8 mm aluminium brut P6008 7000
SPCAACPS0410 Porteur 35 mm aluminium brut P6035 7000
SPCAACPS0420 Capot serreur aluminium brut C6008 7000
SPCAACPS0430 Rive compensateur aluminium brut pour 16 mm 7000
SPCAACPS0440 Rive compensateur aluminium brut pour 32 mm 7000
SPCAACPS0450 Joint accoustique 3 lèvres EPDM noir JA3L
SPCAACPS0460 Vis inox 6*35 - remplissage PCA 16 mm - par 100P
SPCAACPS0470 Vis inox 6*50 - remplissage PCA 32 mm - par 100P
SPCAACPS0480 Embout aluminium brut 60 x 40 x 20 pour PCA 16 mm
SPCAACPS0490 Embout aluminium brut 60 x 60 x 20 pour PCA 32 mm
SPCAACPS0500 Bavette aluminium brut 6154 7000
SPCAACPS0510 Joint de bavette 5207  

PROFIL OBTURATEUR ALUMINIUM

CODE ARTICLE DÉSIGNATION LONGUEUR (MM)
SPCAACPS0070 Nez de plaque 16 mm alu brut 6350
SPCAACPS0080 Nez de plaque 25 mm alu brut 6350
SPCAACPS0085 Nez de plaque 32 mm alu brut 1230
SPCAACPS00890 Nez de plaque 32 mm alu brut 6500
SPCAACPS0095 Nez de plaque 55 mm alu brut 6300

RUBAN ADHÉSIF MICROPERFORÉ

CODE ARTICLE DÉSIGNATION LONGUEUR (MM)
SPCAACPS0005 Scotch aluminium perforé pour 10 mm 33
SPCAACPS0010 Scotch aluminium perforé pour 16 mm 33
SPCAACPS0020 Scotch aluminium perforé pour 32 mm 33
SPCAACPS0030 Scotch aluminium perforé pour 40 mm 33
SPCAACPS0035 Scotch aluminium perforé pour 55 mm 33

RUBAN ADHÉSIF PLEIN

CODE ARTICLE DÉSIGNATION LONGUEUR (MM)
SPCAACPS0037 Scotch aluminium plein pour 10 mm 50
SPCAACPS0040 Scotch aluminium plein pour 16 mm 50
SPCAACPS0050 Scotch aluminium plein pour 32 mm 50
SPCAACPS0060 Scotch aluminium plein pour 40 mm 50
SPCAACPS0065 Scotch aluminium plein pour 55 mm 50
CATALOGUE
TOP